你的位置:首页 > 新闻资讯 > 产品动态 > 配伍性试验块 细节再现和与石膏的配伍性试验块

配伍性试验块 细节再现和与石膏的配伍性试验块

配伍性试验块 细节再现和与石膏的配伍性试验块

产品动态

 

配伍性试验块、细节再现和与石膏的配伍性试验块

执行标准:

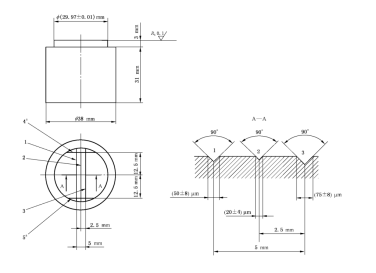
YY/T 0493-2022--图 A.12 细节再现和与石膏的配伍性试验块--配伍性试验块

 

模具用途;

验证印模材料在接触石膏时是否会发生不良反应或表面缺陷,从而影响模型精度。

 

技术参数:

材质:不锈钢

计时器:0-999/s(自行设置)精度±1/s
选配:超声清洗,机恒温水浴,烘箱,显微镜

 image.png

 

 

配置清单

模具一套,合格证一份,铭牌一份。