产品介绍
符合标准:
YY/T 0462-2018,7.7细节再现
介绍:
试验块:带如图6和图7中示的划线,由硬化不锈钢材质(400VHN)制成。
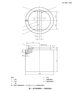
环形模具:如图8示。按GB/T131-2006,表面粗糙度为N5(Ra=0.4μm).
开口模具:如图9示。按GB/T131-2006,表面粗糙度为N5(Ra=0.4μm).




产品介绍
符合标准:
YY/T 0462-2018,7.7细节再现
介绍:
试验块:带如图6和图7中示的划线,由硬化不锈钢材质(400VHN)制成。
环形模具:如图8示。按GB/T131-2006,表面粗糙度为N5(Ra=0.4μm).
开口模具:如图9示。按GB/T131-2006,表面粗糙度为N5(Ra=0.4μm).



