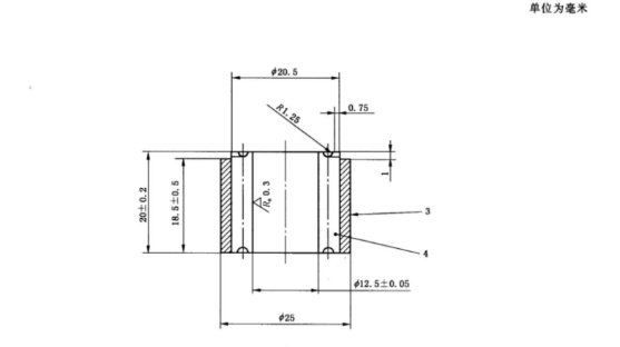
产品分类 纺织类 其他类 医疗器械类 医药包装类 个人防护类 实验室类 推荐资讯 睡眠呼吸暂停治疗面罩多功能测试仪导尿管排泄锥形接口装配分离力测试仪(装配安全性)爆炸品撞击感度试验仪医用弹性绷带拉伸长度 拉伸率和回复率测试工装热垫式治疗温度测试装置煤炭燃烧热测试仪达姆塔特冲击耐磨试验机 圆柱形聚甲基丙烯酸甲酯测试杆真空摩擦性能测试仪 真空销盘球盘摩擦磨损试验机 真空POD摩擦磨损试验机导尿管峰值拉力测试仪 你的位置: 首页 > 产品展示 > 医疗器械类 > 制样的对开模具-弹性回复和压应变试验 制样的对开模具-弹性回复和压应变试验 制样的对开模具-弹性回复和压应变试验 产品型号:HT-Z597 品牌:徽涛 更新时间:2026-04-09 简介:执行标准: YY/T 0493-2022、ISO4823:2015 QQ咨询 留言咨询 产品介绍 制样的对开模具-弹性回复和压应变试验执行标准:YY/T 0493-2022、ISO4823:2015技术参数:由阳极氧化铝,黄铜或不锈钢制成。  配置清单:模具一套 上一篇:制备吸水性和溶解性试样的不锈钢模具和盖子 下一篇:周边有孔环形模具及其附件环形模具固位座/细节再现性试验--试样成形附件 推荐产品 爆炸品撞击感度试验仪 医用弹性绷带拉伸长度 拉伸率和回复率测试工装 热垫式治疗温度测试装置 煤炭燃烧热测试仪