产品介绍
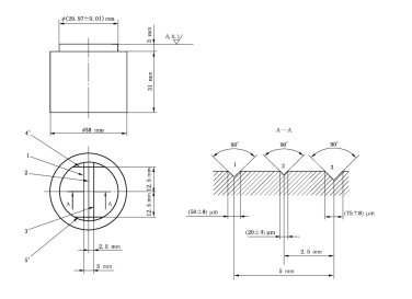
配伍性试验块、细节再现和与石膏的配伍性试验块
执行标准:
YY/T 0493-2022--图 A.12 细节再现和与石膏的配伍性试验块--配伍性试验块
 
模具用途
验证印模材料在接触石膏时是否会发生不良反应或表面缺陷,从而影响模型精度。
 
技术参数:
材质:不锈钢
计时器:0-999/s自行设置精度±1/s
选配:声清洗,机恒温水浴,烘箱,显微镜
 
 
 
配置清单
模具一套,合格证一份,铭牌一份。
 
- 上一篇:带固定圈的试样成形对开模具
- 下一篇:全自动牙科材料可溶出氟测定站



关闭
