产品介绍
牙科学水胶体印模材料细节再现性试验夹具
执行标准:
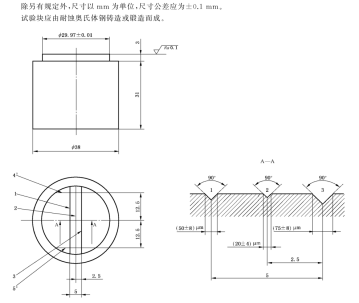
牙科学水胶体印模材料细节再现性试验夹具--带线纹的细节再现性试样成型试验块---YY1027-2018
 
模具用途
量化材料在消毒前后对牙齿解剖细节的还原精度,确保临床取模的可靠性与修复体的边缘密合度。
 
技术参数:
材质:耐腐蚀奥氏体钢 
选配:干燥箱,恒温水浴,显微镜
 
 
 
配置清单
模具一套,合格证一份,铭牌一份。
- 上一篇:全自动牙科材料可溶出氟测定站
- 下一篇:义齿型盒
产品介绍
牙科学水胶体印模材料细节再现性试验夹具
执行标准:
牙科学水胶体印模材料细节再现性试验夹具--带线纹的细节再现性试样成型试验块---YY1027-2018
 
模具用途
量化材料在消毒前后对牙齿解剖细节的还原精度,确保临床取模的可靠性与修复体的边缘密合度。
 
技术参数:
材质:耐腐蚀奥氏体钢 
选配:干燥箱,恒温水浴,显微镜
 
 
 
配置清单
模具一套,合格证一份,铭牌一份。